TOMUU-U8是应用于工业设备上的一款结构小巧,坚固耐用的工业直流电动推杆电机,内置限位开关、 IP65防护等级,并且可加装电位计、霍尔反馈等装置,主要使用于各类工业设备、特种车辆等需要较大负载输出的场合。
它非常坚固耐用,是满足您升、降、推、拉、旋转或定位负载的理想选择,这款工业推杆物理结构坚固,外形紧凑,提供高耐用性和高性能,提供高速、高效和准确性,免维护。
U8推杆可任意定制行程的长度,最长可达600mm并且可提供高达7000N的满载推力。现有直流12V 24V 36V,48V电压规格可选,特姆优可提供配套的控制器和附件(如手控器、遥器器、电源开关、转接延长线)。


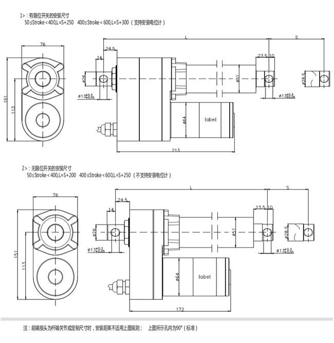
U8外观尺寸图如下:




因此,TOMUU-U8工业用电动直线执行机构具有许多优点,非常适合应用于电动开窗器、升降操作台、工业自动化设备、卡车、叉车、清路机、移动式发电机、农用车辆、液晶电视升降架、升降橱柜、摄像头伸缩杆、电动展台、环卫扫地车、发动机罩壳举升、排烟天窗、地下室天窗(配合抱箍、支架使用)、粮库传送口、电动清扫车、环卫车等需要自动升降的自动化门窗,家用小型机械,船舶,汽车后尾门的启闭,等等,欢迎各位拨打咨询电话:13922904268 !
