特姆优TOMUU供应推杆式电动开窗器,鸡舍电动开窗器 通风窗电动机,家禽养殖电动开窗器 鸡舍鸭舍电动通风窗推杆,大推力开窗器可适用于较大窗型及顶窗,30分钟的防火功能,强劲的锁紧力,电子防护等级IP65,推杆表面采用防腐处理的特殊材料制成特别适用于农业、畜牧业、工业设备。
本款适用于电动通风窗的U12电动推杆具有如下特点:
1、U12型号即适用于12/24/36/48V的直流电,也适用于120/230V的交流电
2、优质不锈钢梯形丝杆,用材精良,结构可靠
3、具备强力的自锁功能,内置可调行程限位开关
4、配置电位器,可通过控制器实现高精度控制
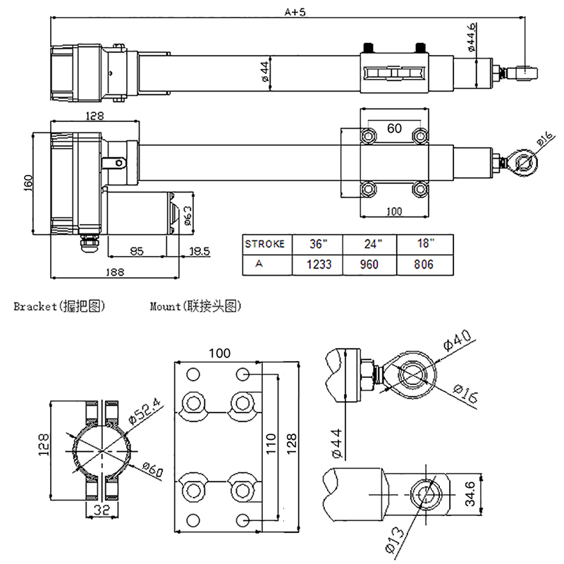
5、行程长度可以任意定制,范围50mm~2500mm
6、特姆优配套提供安装配件,易安装
7、CE 认证,出口品质




型号:U12 推力:5000N 速度5mm/s 行程可定制:50~2500mm
环境温度:-25--+65℃ 标准?;さ燃叮篒P65 内置限位开关
电动推杆的电机为直流电机,当两条电机电源输入线互调(正负极对调),则电动推杆出力轴以相反之方向运动(推杆伸缩)
产品特性:结构设计紧密、重量轻安装简易、操作方便,高性能,在工业推杆里性价比很高的一款
产品的功能:具有带动别的物体推,拉;升,降的作用。
产品应用范围:需直线运动执行机构的场合,自由式安装十分方便,在农业、工业上得到广泛应用,尤其是鸡舍电动开窗器 通风窗电动机 家禽养殖电动开窗器,畜牧养殖,通风天窗电动推杆,推窗器推拉杆等。
特姆优推杆式开窗机广泛应用于宾馆、体育馆、歌舞厅,可以直接开启窗户,推杆式电动开窗机直接开窗工作原理利用电动推杆的直线往复运动,使得窗户开启和关闭,由此宾馆、体育馆、歌舞厅消防 推杆式电动开窗机可直接开启推拉窗,也可以与其他传动机构配合开启建筑天窗,百叶窗,平开窗,上/下/悬窗等窗型。
电动推杆式开窗器,又称防水推杆、推杆开窗器、防水推杆电机、小推杆,采用全金属外壳和高强度耐磨齿轮,依据紧凑型设计,具有较小安装尺寸,防护等级IP65(防水防尘)、安全性好等特点,适用于排烟天窗、地下室天窗(配合抱箍、支架使用)、粮库传送口、电动清扫车、环卫车等需要自动升降的自动化门窗,家用小型机械,船舶,汽车后尾门的启闭,适应性强,用途广泛。



