深圳上门服务24小时接单平台,全国品茶,包小组电话联系vx群,全国空降24小时免费

  • 二维码

全球站点

当前位置:首页 » 资讯中心 »电动推杆知识»

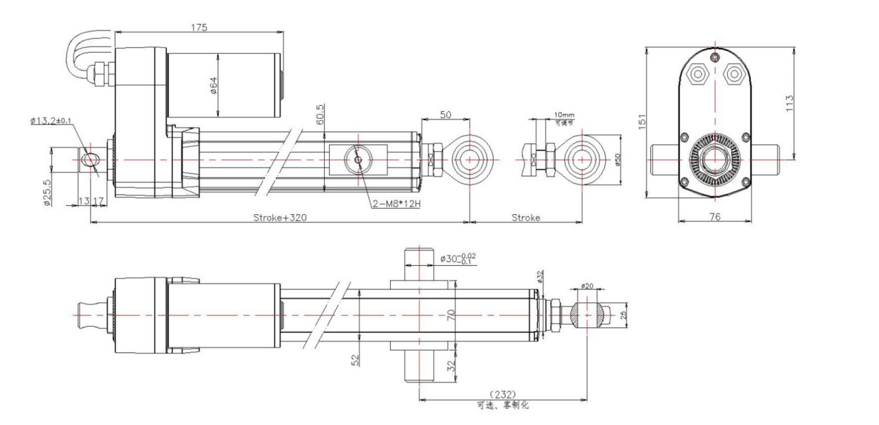
太阳能电动推杆U10结构图

点击量:3939

时间:2016-10-24

太阳能电动推杆U10具有推力大、稳定性能强、安全性能高、使用寿命长等优势,是特姆优电动推杆厂家专为使用恶劣的环境中,如:湿度、尘土、温度等多变化的情况下。太阳能电动推杆U10主要应用领域:太阳能电动推杆、大型休闲旅行车。


太阳能电动推杆U10结构示意图

太阳能电动推杆UL6结构图


太阳能电动推杆U10应用领域图:

太阳能电动推杆UL6应用

咨询

电话

咨询热线

0769-81818175

24小时热线

13922904268

微信

公司二维码

关注我们

邮箱

公司邮箱

info@tomuu.com